咨詢電話:15817488109
免費咨詢熱線
15817488109聯系郵箱
2921194817@qq.com命名規則:
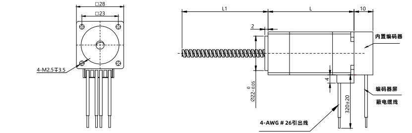
11E3005G0402-X-□□□
|
規格 |
說明 |
|
11 |
電機外徑:28mm |
|
E |
電機類型:外部驅動式 |
|
30 |
機身長度:30mm |
|
05 |
額定電流:0.5A |
|
G |
滾珠絲桿 |
|
□□ |
絲桿導程 |
|
X |
配件代碼:E1(1000線編碼器)、E2(2000線編碼器)、 B(剎車)、C(一體式) |
|
□ |
絲桿長度:□mm |
|
□□□ |
絲桿端部加工定制表:G光軸、A一字槽、M內螺紋 |
電機參數:
|
產品型號 |
電壓 |
額定 電流 |
保持 力矩 |
機身長 |
推薦 驅動器 |
|
11E3005G0402-X-□□□ |
2.5V |
0.5A |
0.018N.m |
38mm |
脈沖型S-224D |
|
11E4205G0402-X-□□□ |
6.3V |
0.5A |
0.03N.m |
42mm |
漢德保電機可根據客戶要求定制:繞線參數、出線方式。
漢德保其他類型驅動器有:功能型(開關型、模擬量型)、總線型(RS485、CANopen、EtherCAT等)
絲桿參數:
絲桿代碼
絲桿直徑
導程(mm)
精度等級
定位精度
軸向間隙
0601
6mm
1
C7
±0.05
≤0.03
0602
2
0606
6
0801
8mm
1
0802
2
請注意:其他絲桿直徑、導程可根據客戶要求定制。
編碼器性能參數
|
編碼器解析度 |
1000線、2000線可選 |
|
工作溫度 |
-20℃-85℃ |
|
儲藏溫度 |
-40℃-85℃ |
|
濕度 |
RH90%max,非冷凝環境 |
|
供電電壓 |
+5VDC(最大7VDC) |
|
電流消耗 |
30mA |
|
極限頻率 |
60KHz |
|
極限速度 |
6600r/min |
|
脈沖寬度 |
180±50°e |
|
相位偏移 |
90±50°e |
|
最大輸出電流 |
150mA |
|
信號電平 |
低0V;高+3.5V; 無負載,+3V有負載 |